Control de calidad durante la entrega de leche cruda
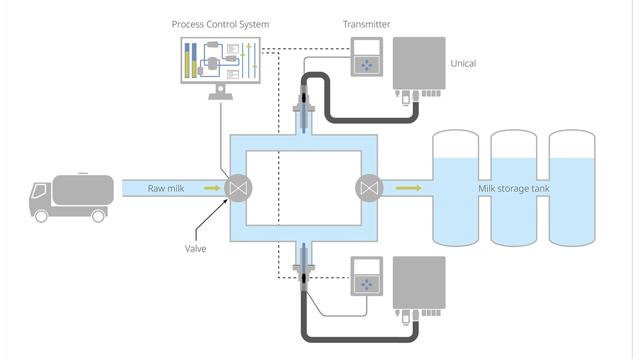
Las lecherías se abastecen con leche cruda las 24 horas. Se imponen requisitos de alta calidad a la leche cruda, por lo que es necesario una supervisión en línea del proceso de descarga de los camiones. Si se llena leche cruda de menor calidad (leche ácida) en los tanques de almacenamiento, todo el stock de leche se estropeará.

Hechos clave de la aplicación
Área
Lechería
Aplicación
Supervisión en línea del proceso de descarga
Parámetros de medición
Valor de pH
Requisitos principales
Medición en línea con limpieza y calibración automáticas del sensor para una disponibilidad 24/7
Advertencias/alarmas en caso de avería, de modo que el bombeo de leche cruda en los tanques de almacenamiento pueda detenerse inmediatamente.
Cumplimiento de todos los requisitos higiénicos tales como CIP y SIP

Medición en leche cruda
Descripción de la aplicación
La calidad de la leche cruda influye decisivamente en la calidad de los productos lácteos. La leche fresca tiene un valor de pH entre 6,5 y 6,7. Las bacterias presentes en la leche convierten el azúcar de la leche en ácido láctico, lo que depende principalmente de la temperatura. Si la leche es ácida, el valor de pH es menor y la leche se cuaja a partir de un valor de pH de 4,5. Por lo tanto, la medición del valor de pH es ideal para el control de calidad directamente durante la entrega.
Requisitos de la aplicación
Cuando la leche se entrega a la lechería, es obligatorio realizar una medición de pH para evitar la contaminación de un tanque completo. Al igual que con todas las aplicaciones en la industria alimentaria, los requisitos son particularmente altos: además de la determinación precisa del pH, los sensores también deben ser adecuados para procesos CIP y SIP. Aquí, la limpieza y la esterilización se llevan a cabo conduciendo soluciones de limpieza y enjuague, así como el vapor caliente a través del sistema cerrado.
¿Por qué Knick?
La combinación de sensores de pH de alta calidad y el sistema de análisis de procesos adecuado permite comprobar la calidad de la leche cruda directamente durante la descarga. La conexión a sistemas de nivel superior les permite detener el proceso de descarga inmediatamente si el valor de pH es demasiado bajo. Esto evita eficazmente la contaminación de un tanque entero. Con el sistema automático de calibración y limpieza y un portasondas retráctil con esclusa del sensor, ya no es necesario retirar ni reemplazar los sensores, que requieren mucho tiempo. Esto se traduce en una alta disponibilidad y bajos requerimientos de personal de mantenimiento.
Productos relacionados
Industrias y aplicaciones relacionadas
Hay una solución de Knick para prolongar la vida útil de los sensores de pH propensos al desgaste, especialmente en medios difíciles: cCare garantiza valores medidos precisos a través de la limpieza y calibración completamente automática de los sensores de pH, al tiempo que reduce los costes de mantenimiento y material.