Skip to main content Skip to search Skip to main navigation

Precise Voltage, Current, and Temperature Monitoring in Electrolyzer and Fuel Cell Systems

Key facts about the application

Sector

Electrolyzer Control & Fuel Cell Monitoring

Application

Voltage, current, and temperature monitoring in electrolyzer or fuel cell stacks and strings

Measured Parameters

DC voltage, current, and temperature to ensure safe and efficient hydrogen production and conversion into electrical energy

Main Requirements

High isolation up to stack/string level, continuous monitoring, long-term stability, safety compliance, no recalibration

High-isolation measurement for stack/string monitoring in H2 applications

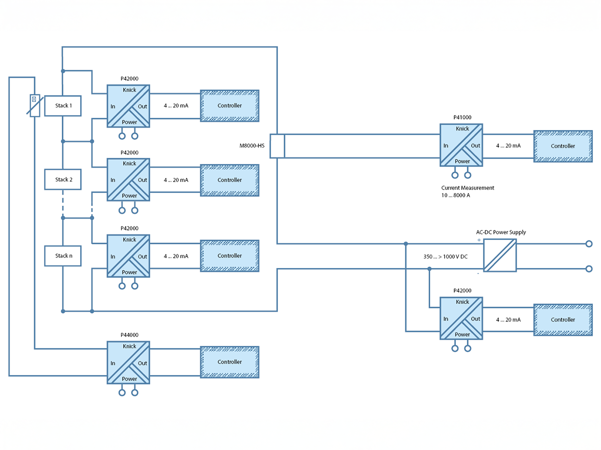
As hydrogen plays an increasingly important role in energy storage and transport, maintaining efficiency and safety in electrolyzer and fuel cell systems is more critical than ever. These systems operate at high DC voltages and require accurate, real-time monitoring to function effectively. Continuous measurement at both the stack and string levels supports predictive maintenance and enhances overall system reliability. Knick’s transducers are specifically designed to meet these demands, offering high working isolation that exceeds typical system voltages and delivering the long-term reliability needed to ensure safe, uninterrupted operation.

Description and requirements

Modern electrolyzers and fuel cells are built by wiring individual cells in series to form stacks, which are then combined into high-voltage strings. While each cell typically operates around 3 V, total string voltages can reach up to 1500 V DC and continue to rise as industry demand grows. To maintain safe and efficient operation, precise monitoring of voltage, current, and temperature at both the stack and string levels is essential for diagnostics and early detection of wear. Without this monitoring, operators risk damaging electrolyzer and fuel cell systems, which can compromise safety and reduce hydrogen production efficiency.

Given the high voltages and potential for voltage surges, measurement equipment must provide strong electrical isolation, not only from the measured signal but also from full system-level potentials. Additionally, the monitoring solution must be durable, maintenance-free, and capable of withstanding environmental stress while ensuring the safety of both operators and equipment.

Why Knick ?
Knick’s transducers deliver high performance measurement with industry leading continuous isolation up to 3.6 kV, exceptional long-term stability, and a compact DIN rail design making them well-suited for integration into electrolyzer and fuel cell systems. They provide accurate voltage, current, and temperature monitoring without the need for recalibration and are supported by a field-proven MTBF rated in the hundreds of years. Built to withstand high potential and noise-heavy environments, these transducers ensure safe, interference free operation. For applications requiring functional safety, Knick also offers SIL rated monitoring solutions to support compliance with evolving hydrogen system standards.

Conclusion

With Knick transducers, operators can reliably monitor electrolyzer and fuel cell performance at both the stack and string levels, enabling early detection of degradation and preventing costly failures. This level of insight supports predictive maintenance strategies, maximizes system uptime, and ensures safe, continuous operation in demanding hydrogen applications.

Knick delivers the clarity and confidence needed for high voltage measurements by combining advanced isolation, long-term stability, and precision. Our commitment to safety, accuracy, and performance makes Knick a trusted partner in the evolving hydrogen energy landscape.

Associated industries and applications

Thanks to their high isolation and reliability, the high-voltage transducers and signal conditioners from Knick have already proven themselves in many hydrogen applications.
Our range of high-voltage transducers offers proven solutions for safely testing and continuously monitoring battery systems on the cell, stack, and string levels.
Energy Brochure


Overview of energy-specific applications and product solutions

Latest blog post

SIL-compliant speed signal doubling for safety-critical applications

Simplifies retrofitting and reduces costs for new rail vehicles: the new Universal Speed Signal Doubler P16890.

The Power Behind Data AI & Data Centers

Empower AI with precision: High-voltage measurement solutions from Knick deliver real-time, reliable data.

High-Isolation Temperature Measurement at KEMA Labs

Safe and precise temperature measurement for demanding high-voltage testing.

Functionally safe measurement of high voltages in industrial applications

Designed for measurements of voltages up to 3,900 V DC and 4,500 V ACpeak: the new P45000 High Voltage Transducer.

Upgrading Rail Infrastructure with Knick HV-Transducers and Dewesoft DAQ Systems

A joint railway project with Dewesoft shows: The P40000 series from Knick offers maximum flexibility.

P45000 SIL 2 / SIL 3: Voltage measurements in applications with functional safety

Knick offers a new future-proof solution for modern energy infrastructures: reliable, flexible, safe.

Stack and String Voltage Measurement in Electrolyzers and Fuel Cells

Voltage, current and temperature measurement in electrolyzers with P40000 series high voltage transducers

New 30 mV Shunt Resistors for Knick Transducers

Knick is expanding the accessory range for its high-voltage transducers with immediate effect by adding shunt resistors with a 30 mV voltage drop
Innovations at InnoTrans 2024

Innovations at InnoTrans 2024 for rolling stock and DC traction power supply

At InnoTrans 2024 Knick presents electrical measurement solutions for rolling stock and DC traction power supply applications

Knick Austria - direct customer contact in Austria from 2024

Reorganization of sales in Austria and new contacts in the field of process analytics and interface technology

Energy storage - the handshake between renewable energy and electric vehicles

Energy storage technology such as battery and hydrogen are critical for growth and continuous development of renewable energy and e-mobility.

P52000VPD voltage presence detector reliably detects voltages up to 4200 V DC

The new P52000VPD voltage presence detector reliably monitors areas with high voltages and sends a signal to the downstream plant control system when a specified threshold value is reached.

Knick Interface at Battery and Electric & Hybrid Vehicle Technology Expo

Knick will be showcasing high-voltage electrical measurement and signal conversion products.

Quadruple Standard Signals in Just One Signal Conditioner

The A20340 can output a standard input signal to four calibrated and galvanically isolated outputs in parallel.

Electrical measurement and process analytics for hydrogen production

Knick products optimize hydrogen production in the process and in electrolyser operation.

Condition Monitoring of High-Voltage Motors

Having an active predictive maintenance campaign in place for large rotating equipment can be a key strategy for maximizing process uptime.

Pulse frequency conditioner for speed sensors

The new P16000 from Knick is a pulse frequency conditioner that converts frequency signals from speed sensors into standard signals.

Worldwide smallest transducer up to ±2200 V

The P40000 series from Knick enables reliable voltage measurements from ±50 mV to ±3600 V and current measurements from ±100 mA to ±20 kA.

Importance of broad-range power supplies for DC electrical measurement

Many DC electrical measurement products manufactured by Knick contain universal, also known as broad-range, power supplies.

Measuring Photovoltaic Degradation

Photovoltaic (PV) array degradation is an important aspect to consider for system design and installation.

Electrical Measurement Solutions: Control from 480 to 4800 Volts

Voltage and current transducers from Knick bring true control to electrical measurement applications across a wide-range of industries.

Benefits of High Voltage Transducers versus Instrument Transformers

When a need arises to step voltage in a circuit either up or down for purposes of power transmission or distribution, there is no doubt that transformers are essential.

Shunt Resistor versus Hall Effect Technology

There are many systems where measurement of large DC currents are needed for performance and safety.

MTBF beyond 3000 years: A snap hook for your plant

Failure of equipment on the plant floor can lead to considerable and costly disruption.

Knick Products Comply With UL - What Does That Mean?

There are different assessments and approaches to reach an adequate level of safety. Manufacturers are typically on the “safe” side, if they comply with recognized standards.

High-voltage transducer offers more safety on railway vehicles

The requirements placed on railway vehicles have increased significantly in recent years. Products for rolling stock need to ensure a higher level of functional safety than ever before.

True RMS Measurement with P41000TRMS

Traditional millivolt AC transducers are very susceptible to errors due to their poor insulation and are only designed for pure sinewave measurement.

Functional safety and maximum availability can go together

The requirements on operational and safety-related circuits are continuously growing.